Не нашли нужный товар? Позвоните или напишите нам и мы обязательно подберем для Вас решение.
Договор заключается в момент оплаты Покупателем товара ТОЛЬКО в ОФЛАЙН-МАГАЗИНЕ. Делая предварительный заказ, Покупатель заверяет, что ознакомился и согласен с Политикой компании, она ему ясна и понятна.Отопительная печь Теплодар Верона (Verona) 200
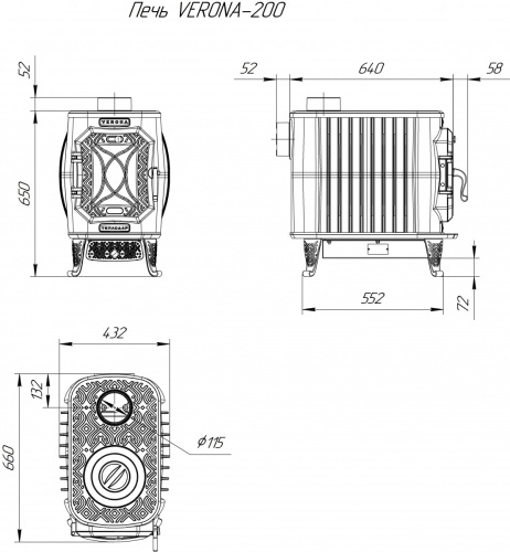
Конструкция и особенности печи
Чугунная отопительно-варочная печь Верона (Verona) 200 предназначена для отопления помещений и приготовления на ней пищи.
Особенность печи Верона (Verona) - уникальная конструкция топки, а именно сквозное оребрение (рёбра проходят насквозь топки изнутри наружу), что значительно увеличивает теплопередачу.
Чугунный пламяотбойник уникальной формы обеспечивает оборот топочных газов, а вторичная подача воздуха их дожигание. Это все позволяет печи Верона (Verona) работать на одной закладки топлива (уголь до 12 часов)(дрова до 6 часов) непрерывно.
Чугунный шибер в комплекте.
Сама топка печи цельнолитая, благодаря этому конструкция максимально жёсткая и надежная.
Отливается печь из чугуна марки ЧХ-1. Этот вид чугуна давно зарекомендовал себя как надежный и высококачественный материал благодаря добавлению хрома в состав. Он обладает высокой прочностью и стойкостью к износу, что особенно важно для печей, работающих в условиях повышенных температур.
Толщина топки от 10 мм!
Снаружи печь окрашена термостойкой кремнийорганической краской.
В качестве топлива используются дрова длиной до 54 см или древесные топливные брикеты,уголь.
Дымоход, огнезащита и комплектующие
Для печи необходим дымоход диаметром 115 мм. Его можно подобрать в разделе дымоходы. Рекомендуем обратить внимание, что первыми элементами от печи могут быть дымоходы черного цвета из котловой стали,которые можно подобрать в разделе дымоходы КПД
Не забудьте про огнезащиту стен.
Под печь необходимо предусмотреть негорючее основание. Рекомендуем использовать листы под печь черного цвета.
Также могут понадобиться важные мелочи.
Характеристики
|
Производитель
|
Теплодар (Россия) |
|
Высота, мм
|
700 |
|
Глубина, мм
|
660 |
|
Ширина, мм
|
430 |
|
Диаметр дымохода, мм
|
115 |
|
Выход дымохода
|
сверху/сзади |
|
Вес, кг
|
140 |
|
Варочная плита
|
да |
|
Мощность, кВт
|
21 |
|
Отапливаемый объем
|
120-200 м3 |
Отправляем продукцию по всей территории РФ.
Ознакомиться с условиями оплаты и получения товара Вы можете на странице «Доставка и оплата».
* Рассчитывается ориентировочная стоимость доставки от ПВЗ города отправления до ПВЗ города получения.
Конечная стоимость определяется после приема груза на терминале компании и зависит от точных габаритов сборки (длина*ширина*высота, вес), типа груза (наименование товара во вложении), вида отгрузки (отгрузка курьеру или в ПВЗ), хрупкости вложения, выбора услуги страхования груза, наличия обязательной обрешетки и дополнительной упаковки, согласно условий и требований к перевозке грузов конкретной ТК.
Вы можете воспользоваться услугами монтажа купленных у нас товаров. Для этого при оформлении заказа на сайте в поле «Нужен монтаж» нужно выбрать пункт «Да».
Также по вопросам монтажа Вы можете проконсультироваться по указанным на сайте телефонам или отправить запрос через любую из расположенных на сайте форм обратной связи.
- Можно доверять! Компания «КПД» работает с 2004 года.
- Работаем только с проверенными бригадами монтажников.
- Произведем расчет и установку любого оборудования из наших магазинов.
- Гарантируем качество выполненных работ.
- Примеры наших работ (смотреть).










